產品詳情
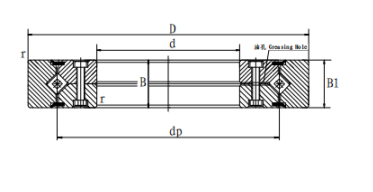
RE型(內環分割型、外環旋轉用)
此系列型號是由RB型的設計理念產生的新型式,主要尺寸與RB型相同。其構造是內環是分割型,外環是一體設計,適合于要求外環旋轉精度高的部位。




- 上一篇:沒有了
- 下一篇:CRBH型交叉滾子軸承
Why choose us
為什么選擇我們?
可按需求設計
可根據用戶需求,設計、選型、制造各種非標精密軸承
品質嚴格把控
精度高,噪音低;硬度高耐磨耐沖擊使用壽命長
應用范圍廣泛
適用于各類機床、精密旋轉工作臺、機械加工中心轉臺等

電話
微信
留言